| Availability: | |
|---|---|
Color of cap: White, Blue, Pink color in stock. We can also do OEM based on customer’s needs
Application: Storage of chemical reagents, like Formalin,cytology preservation solution.
1. Good sealing, leak-proof.
2. High transparency:Made of Medical grade PP material, the surface is smooth and transparent.
Code | Specification | Material | Weight(g) | Packing | Qty/case Pcs | Meas(cm) | G. W./N.W.(Kgs) |
HP8050 | 50ml | PP | 16.3 | Bulk packing | 500 | 56*42*34 | 9.2/8.2 |
HP8020 | 20ml | PP | 9.88 | Bulk packing | 500 | 43*29*43 | 6/5 |
HP8015 | 15ml | PP | 10.48 | Bulk packing | 500 | 43*29*43 | 6/5 |
Vacuum test: Fill the bottle 2/3 full of reagent and invert it for 12 hours. Apply a negative pressure of 90 kPa. Vacuum for 10 seconds and visually inspect for any leakage.
50ml reagent bottle tap test: Invert the bottle for 12 hours and tap it on a tabletop, rotating it to visually inspect for any leakage.
15ml and 20ml reagent bottle unscrewing force test: 1.3µm tightening force on the bottom of the cap. Unscrewing force ≤0.6µm is considered acceptable.
HP8015
HP8020
HP8050
15ml reagent bottle-drawing
20ml reagent bottle-drawing


50ml reagent bottle-cap-drawing

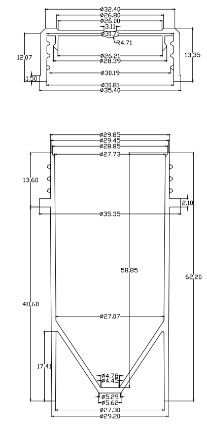
50ml reagent bottle-body-drawing
Color of cap: White, Blue, Pink color in stock. We can also do OEM based on customer’s needs
Application: Storage of chemical reagents, like Formalin,cytology preservation solution.
1. Good sealing, leak-proof.
2. High transparency:Made of Medical grade PP material, the surface is smooth and transparent.
Code | Specification | Material | Weight(g) | Packing | Qty/case Pcs | Meas(cm) | G. W./N.W.(Kgs) |
HP8050 | 50ml | PP | 16.3 | Bulk packing | 500 | 56*42*34 | 9.2/8.2 |
HP8020 | 20ml | PP | 9.88 | Bulk packing | 500 | 43*29*43 | 6/5 |
HP8015 | 15ml | PP | 10.48 | Bulk packing | 500 | 43*29*43 | 6/5 |
Vacuum test: Fill the bottle 2/3 full of reagent and invert it for 12 hours. Apply a negative pressure of 90 kPa. Vacuum for 10 seconds and visually inspect for any leakage.
50ml reagent bottle tap test: Invert the bottle for 12 hours and tap it on a tabletop, rotating it to visually inspect for any leakage.
15ml and 20ml reagent bottle unscrewing force test: 1.3µm tightening force on the bottom of the cap. Unscrewing force ≤0.6µm is considered acceptable.
HP8015
HP8020
HP8050
15ml reagent bottle-drawing
20ml reagent bottle-drawing


50ml reagent bottle-cap-drawing

50ml reagent bottle-body-drawing